Low Noise Imu Inertial Measurement Unit 450deg/S Range for Unmanned Aircraft Mems Imu
U7000 series high-precision MEMS-IMU is a highly reliable and cost-effective six axis MEMS inertial sensor combination, which can be widely used in navigation, control, and measurement fields represented by inertial navigation and attitude stability. This series of MEMS inertial measurement units can be configured with different software and hardware according to user needs. For some inertial navigation applications, gyroscopes can be replaced with high-precision or high dynamic MEMS gyroscopes to meet the needs of different users to the greatest extent possible
Part No, :
U7000Order(MOQ) :
1Product Series and Parameters
| Parameter | U7000-A | U7000-B | Unit |
| Gyroscope | |||
| Measurement range | ±400 | ±400 | °/s |
| Full temperature zero bias stability (10s, 1σ) | ≤10 | ≤2 | °/h |
| Zero bias stability (10s, 1σ) | ≤1 | ≤0.3 | °/h |
| Zero bias stability (Allan) | ≤0.1 | ≤0.07 | °/h |
| Zero bias repeatability (1σ) | ≤1 | ≤0.3 | °/h |
| Angle random walk | ≤0.05 | ≤0.02 | °/√h |
| Scale factor nonlinearity | ≤100 | ppm | |
| Bandwidth (adjustable) | 100 | Hz | |
| Accelerometer | |||
| Measurement range | ±30 | g | |
| Full temperature zero bias stability (10s, 1σ) | ≤1 | mg | |
| Zero bias stability (10s, 1σ) | ≤100 | μg | |
| Zero bias stability (Allan) | ≤15 | μg | |
| Zero bias repeatability (1σ) | ≤100 | μg | |
| Angle random walk | ≤10 | mm/s/√h | |
| Scale factor nonlinearity | ≤500 | ppm | |
| Bandwidth (adjustable) | 100 | Hz | |
| Electrical/Mechanical Interface | |||
| Power supply | 5 ~ 12 | V | |
| Power consumption | 1.5 | W | |
| Starting time | 2 | s | |
| Communication interface | RS422/RS232 | ||
| Data update rate | 200 (configurable, up to 1kHz) | Hz | |
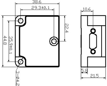
| Dimension | 44.8 x 38.6 x 21.5 | mm | |
| Weight | 55±5 | g | |
| Environment | |||
| Working temperature | -40 ~ +80 | ℃ | |
| Storage temperature | -55 ~ +85 | ℃ | |
| Vibration | 6.06 | g, Rms | |
| Shock | 1000g/1ms (on power) | g | |
Production process
More similar products




Product dimension

Application Scenarios



FAQ
Xml Privacy Policy Blog Sitemap
copyright @ Micro-Magic Inc All Rights Reserved.
Network Supported