The U16575 MEMS Inertial Measurement Module is a highly reliable and cost-effective six-axis MEMS inertial measurement module, widely applicable to navigation, control, and measurement fields represented by vehicles, ships, and drones. The U16575 series of inertial measurement modules integrates high-performance MEMS gyroscopes and MEMS accelerometers within an independent structure. The gyroscopes and accelerometers selected for the system represent the leading level of MEMS technology inertial devices. The three-axis MEMS gyroscopes sense the angular motion of the carrier, while the three-axis MEMS accelerometers sense the linear acceleration of the carrier. The system internally compensates for zero position, scale factor, non-orthogonal error, and acceleration-related terms across all temperature parameters, maintaining high measurement accuracy over a long period of time.
The U16575 series inertial measurement module can be configured with different hardware and software according to user needs.
Part No, :
U16575Order(MOQ) :
11. Product specification

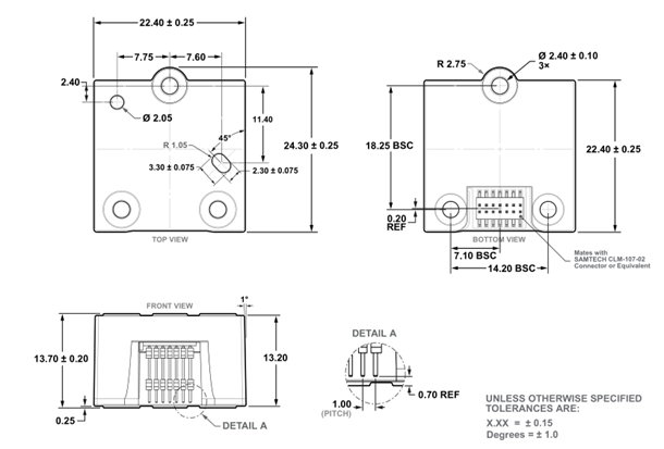
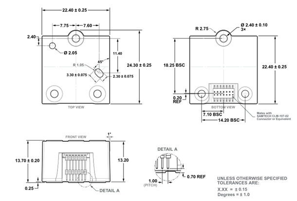
2. Product dimension

Xml Privacy Policy Blog Sitemap
copyright @ Micro-Magic Inc All Rights Reserved.
Network Supported