Fiber optical IMU (inertial measurement unit) is a small missile, guided bomb navigation guidance, attitude measurement and control system development of inertial products, by three solid state fiber gyroscope, three quartz accelerometer and data packing board, measuring the carrier movement angular velocity and line acceleration, for the carrier attitude and navigation control, measurement results through the RS422 serial port output.
Part No, :
U-F3X80Order(MOQ) :
1Product Series and Parameters
| U-F3X80-H | U-F3X80-M | Unit | |
| Zero bias stability (Under room temperature) | ≤0.30 | ≤0.50 | °/hr |
| Zero bias repeatability(Under certain temperature, step by step, day by day) | ≤0.30 | ≤0.50 | °/hr |
| The Scale factor of Repeatability(Under room temperature) | ≤30 | ≤50 | ppm |
| The Scale factor of asymmetry(Under certain temperature) | ≤20 | ≤30 | Ppm |
| The Scale factor of Nonlinearity(Under certain temperature) | ≤20 | ≤30 | ppm |
| Threshold | ≤0.50 | °/hr | |
| Dynamic range of angular velocity | ±500 | °/s | |
| Bandwidth | ≥100 | Hz | |
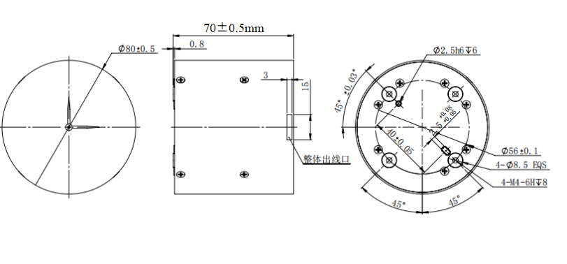
| Dimension | 80**80*70 | mm | |
| Weight (including accelerometer) | 780±20 | g | |
| Working temperature | -40~+65 | ℃ |
Production process
Product dimension

Application Scenarios



FAQ
Xml Privacy Policy Blog Sitemap
copyright @ Micro-Magic Inc All Rights Reserved.
Network Supported