MG-403 single axis gyroscope is a high-precision MEMS single axis gyroscope product launched by Micro-Magic Inc company. Adopting small volume ceramic packaging, it has the characteristics of high precision, wide range, resistance to large impact, wide temperature range, and fully digital output. Mainly used in inertial navigation, integrated navigation, attitude reference system (AHRS), platform stabilization system, unmanned aerial vehicle flight control, etc.
Part No, :
MG-403Order(MOQ) :
1Product Series and Parameters
| MG-403 | Unit | Notes | |
| Measurement Range | 400 | deg/s | Clockwise rotation is positive output,Clamped at ±105%FS during over-range |
| Resolution | 24bit | bits | |
| Data Rate | 12K | Hz | Refresh rate of the output data at room temperature |
| Group delay | <2 | ms | Time delay between the physical input and the output signal |
| @3DB | 《90deg | deg | |
| Bandwidth (-3dB) | 150 | Hz | Defined as the frequency for which attenuation is >-3dB |
| Scale Factor at 25°C | 20000 | lsb/deg/s | factory setting |
| Scale Factor Repeatability(1σ ) | <15 | ppm | day by day at setting Temp(1σ ) |
| Scale Factor VS Temperature(1σ ) | <50 | ppm | Over temperature range(1σ) |
| Scale Factor Non-Linearity(1σ ) | <100 | ppm | Percentage of dynamic range using a best straight line fit |
| Bias Instability | <0.03 | deg/hr | Allan Variance @25°C |
| Bias stability | <0.3 | deg/hr | 10s smooth GJB |
| Bias stability | <1 | deg/hr | 1s smooth GJB |
| Angular Random Walk | <0.015 | °/ √h | Allan Variance @25°C |
| Bias error over temperature(1σ ) | <5 | deg/Hr | Over temperature range(1σ) |
| Bias temperature variations, calibrated(1σ ) | <0.5 | deg/Hr | Over temperature range(1σ) |
| Bias Run-Run(1σ ) | <0.15 | deg/hr | day by day at setting Temp(1σ ) |
| Noise Peak to Peak | <0.15 | deg/s | Over the Bandwidth frequency range, at room temperature |
| g Sensitivity | <0.3 | °/hr/g | Any axis,Tested over ±1g |
| VRE | <0.3 | °/hr/g(rms) | (12gRMS,20-2000) |
| Startup Time | 750m | s | Time to operational output |
| Sensor Resonant Frequency | 11.5-12.5Khz | Hz | Gyro resonance frequency |
| Shock (operating) | 1000g,1ms | ||
| Shock (survival) | 10000g,10ms | ||
| Vibration Operating | 18grms,Screen spectrum | ||
| Operating Temperature | -40 deg ~ +85 deg | ||
| Max storage (survival) Temperature | -55 deg ~ +125 deg | ||
| Supply voltage | 5±0.25V | ||
| Current consumption | 40ma | ||
Packaging information
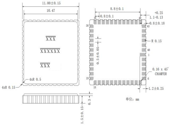
MG-XXXX adopts 48 pin ceramic packaging

Figure 1 Packaging Diagram

Figure 2 Packaging Size Diagram
Rotation axis

Figure 3 Schematic diagram of axial rotation detection
MG-XXXX is a single axis high-performance gyroscope that detects the rotation axis perpendicular to the surface of the chip.
Rotate counterclockwise along the rotation axis in the positive direction and clockwise along the rotation axis in the negative direction.
Application Scenarios
The MG403 is a high-performance single-axis MEMS gyroscope that outputs angular velocity and temperature data via SPI, suitable for high-precision rotational measurement and applications such as inertial navigation and attitude stabilization.



FAQ
Xml Privacy Policy Blog Sitemap
copyright @ Micro-Magic Inc All Rights Reserved.
Network Supported