I3800 Dual-Antenna RTK GNSS/INS OEM Board | 1cm RTK | 0.2° Heading | 100Hz | UART/CAN
Hardware
- High-performance array IMU
- Factory-calibrated with temperature compensation from -40 to 85℃, with scale factor, cross-axis, and zero bias calibrated
- The gyroscope zero-bias instability is as high as 2.5°/h
- The zero bias instability of the accelerometer is as high as 30ug
- Multiple interfaces such as UART (TTL)/CAN
- Integrated Temperature Sensor
- Small surface-mount package, easy to integrate
- RoHS and CE certification
- Full-constellation, full-frequency RTK-GNSS system, dual-antenna direction finding
Software
- Adaptive extended Kalman fusion algorithm, capable of up to 100Hz output with low latency
- Dual-antenna directional 0.2° 1m baseline
- It has excellent suppression effect on linear acceleration
- Timing accuracy of 20ns
- Single-point positioning with an accuracy of 1.5 meters
- RTK positioning accuracy is 1cm
- Speed accuracy: 0.03m/s
- Cold start time < 30s
- Hot start time < 2s
- Supports multiple protocols such as binary, NMEA, J1939, and more
- Rich user configuration instructions
- Multi-functional GUI, easy to operate
- Supports multiple routines such as ROS and C
Part No, :
I3800Order(MOQ) :
1Product Series and Parameters
| Parameters | Description | Note | |
| channel | Channel 1408 | ||
| constellation | BDS/GPS/GLONASS/Galileo/QZSS | ||
| frequency point | BDS B1I/B2I/B3I | ||
| GPS L1 C/A/L2P(Y)/L2C/L5 | |||
| Galileo E1/E5a/E5b | |||
| GLONASS L1/L2 QZSS L1/L2/L5 | |||
| cold start | <30s | ||
| warm start | <5s | 1 | |
| positioning accuracy | Single point (RMS) | Level: 1.5m | 2,3 |
| Elevation: 2.5m | |||
| DGPS(RMS) | Level: 0.4m + 1ppm | ||
| Elevation: 0.8m + 1ppm | |||
| RTK(RMS) | Level: 0.8cm + 1ppm | ||
| Elevation: 1.5cm + 1ppm | |||
| Directional accuracy (RMS) | 0.2°/1m baseline | ||
| Timing accuracy (RMS) | 20ns | ||
| Speed accuracy (RMS) | 0.03m/s | 4 | |
| Data update rate | 20Hz | ||
| maximum speed | 500m/s | ||
| maximum height | 50000m | ||
Production process
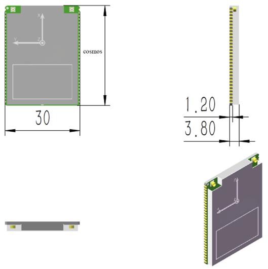
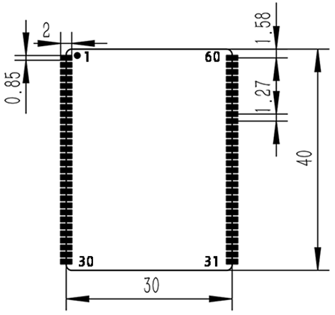
Product dimension

Application Scenarios



FAQ
Xml Privacy Policy Blog Sitemap
copyright @ Micro-Magic Inc All Rights Reserved.
Network Supported