As a new type of all-solid state gyro, fiber optic gyroscope has the advantages of fast start, wide measurement range and high reliability. G-F2X70 dual-axial medium precision fiber optic gyroscope can be applied to the on-board stability platform, guide head, crane bin and other fields. The specification is only applicable to G-F2X70 type products, including performance indicators, technical conditions, external dimensions and installation and use. Among them, the technical conditions include the environmental range, electrical performance and physical characteristics of the product.
Part No, :
G-F2X70Order(MOQ) :
1Connector :
RS422Protection Level :
IP67Product Series and Parameters
| Zero bias stability | ≤0.20 | °/hr(1σ,10s) 2h continuous testing, 10s smooth results |
| Stabilization time | <100 | s |
| Zero bias repeatability | ≤0.20 | °/hr(1σ) Results of 3 testing data |
| Resolution | ≤0.20 | °/hr(1σ) |
| Random walk coefficient | ≤0.02 | °/ |
| Full-temperature zero-bias Repeatability | ≤0.50 | °/hr |
| The Scale factor of Nonlinearity (Under normal temperature) | ≤20 | ppm (1σ) |
| The Scale factor of Repeatability(Under normal temperature) | ≤50 | ppm (1σ) |
| Dynamic range | ±400 | °/s |
| Bandwidth | ≥500 | Hz |
| Working temperature | -40~+65 | ℃ |
| Storage temperature | -50~+70 | ℃ |
| Vibration conditions | 4.2g, 20~2000 | Hz |
Production process
Product dimension
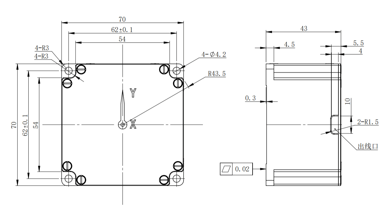
Overall dimensions: 70mm*70mm*43mm, installation size: four holes 62mm*62mm, installation screws: 4 M3 screws, shape and installation dimensions are shown in Figure 2.

Figure 2 Outline dimensions of G-F2X70
Application Scenarios



FAQ
Xml Privacy Policy Blog Sitemap
copyright @ Micro-Magic Inc All Rights Reserved.
Network Supported