AC-2 quartz flexible accelerometer series is a high-precision military inertial navigation class accelerometer with excellent long-term stability, repeatability, start-up performance, environmental adaptability and high reliability. It can be used for both static and dynamic testing, and it is also a standard vibration sensor and inclination sensor. The output current of the product has a linear relationship with the force or acceleration received. Users can select the appropriate sampling resistance through calculation to achieve high precision output. And according to user needs built-in temperature sensor, used to offset value and scale factor compensation, reduce the impact of environmental temperature.
Part No, :
AC-2Order(MOQ) :
11. Product specification
|
Parameters |
AC-2A |
AC-2B |
AC-2C |
Unit |
|
Range (40ohms) |
±70 |
g |
||
|
Threshold /Resolution |
2 |
3 |
4 |
μg |
|
Bias K0/K1 |
≤ ±3 |
≤ ±3 |
≤ ±5 |
mg |
|
Scale factor K1 |
0.8 ~ 1.20 |
mA/g |
||
|
Class II nonlinearity coefficient k2/k1 |
≤ ±10 |
≤ ±15 |
≤ ±20 |
μg/g2 |
|
0g 4 hours short time stability |
≤10 |
≤15 |
≤20 |
μg |
|
1g 4 hours short time stability |
≤10 |
≤15 |
≤20 |
ppm |
|
Bias drift Sigma K0 (1σ, one month) |
≤10 |
≤20 |
≤30 |
μg |
|
Repeatability of scale factor Sigma σK1/K1 (1σ, one month) |
≤15 |
≤30 |
≤50 |
ppm |
|
Class II nonlinearity Coefficient repeatability σK2/K1 (1σ, one month) |
≤ ±10 |
≤ ±20 |
≤ ±30 |
μg/g2 |
|
Bias thermal coefficient |
≤ ±10 |
≤ ±30 |
≤ ±50 |
μg/℃ |
|
Scale factor thermal coefficient |
≤ ±20 |
≤ ±30 |
≤ ±50 |
ppm/℃ |
|
Noise (sample resistance 840Ω) |
≤5 |
mv |
||
|
Natural Frequency |
400 ~ 800 |
Hz |
||
|
Bandwidth |
800 ~ 2500 |
Hz |
||
|
Vibration |
6g |
20~2000Hz |
||
|
Shock |
100g |
8ms, 1/2s in |
||
|
Temperature range (Operating) |
-55 ~ +85 |
℃ |
||
|
Temperature range (saved) |
-60 ~ +120 |
℃ |
||
|
Power |
±12 ~ ±15 |
V |
||
|
Consume current |
≤ ±20 |
mA |
||
|
Temp. sensor |
Optional |
|
||
|
Size |
Ф25.4X30 |
mm |
||
|
Weight |
≤80 |
g |
||
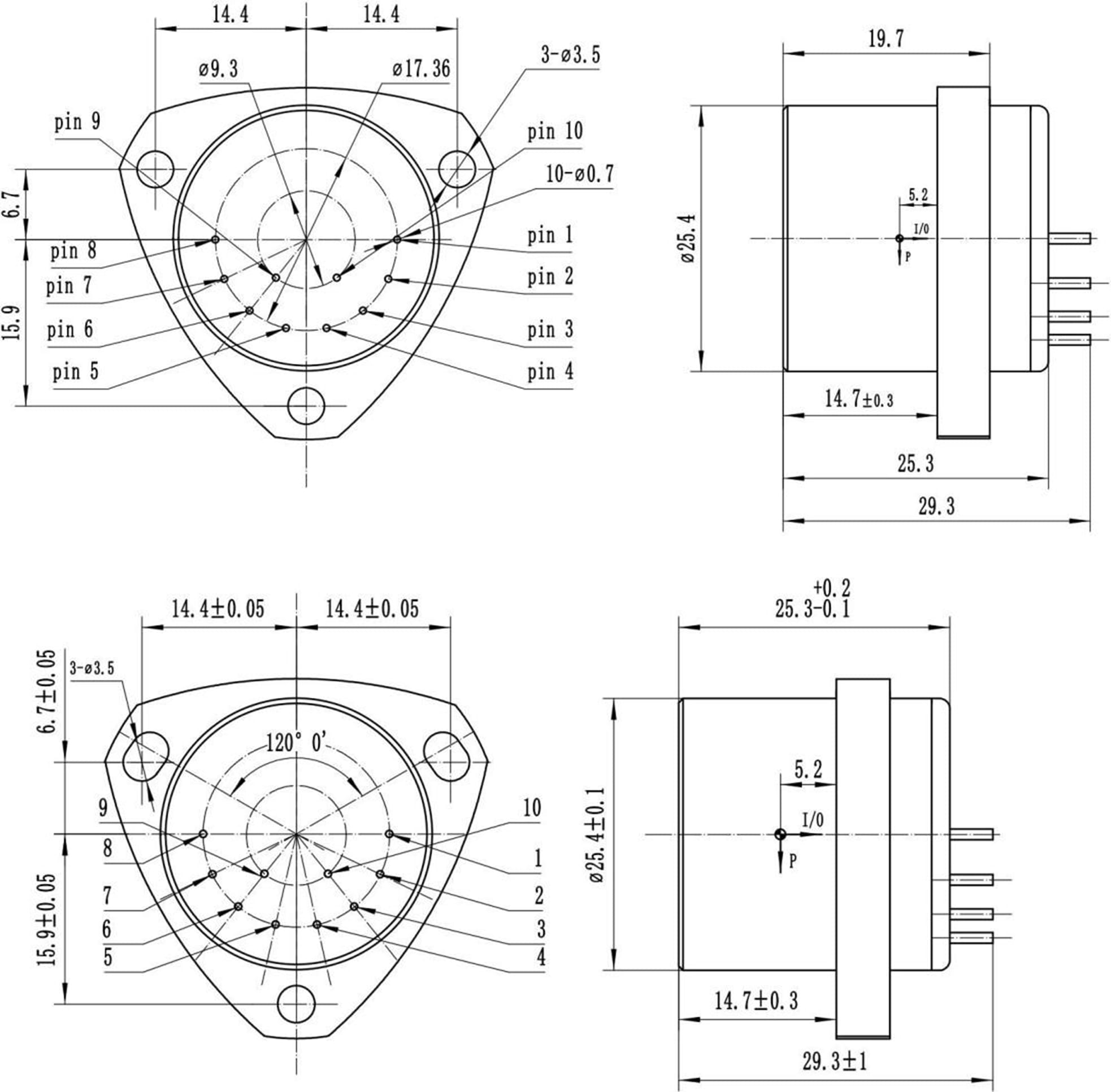
2. Product dimension


Mark: The temperature sensor AD590 / PT1000 optional; Point 10 is the high power. The point 9 is the low power. The point 9 and power ground use one platinum resistance; the value is 1K, the thermal coefficient is less than 5ppm.
Xml Privacy Policy Blog Sitemap
copyright @ Micro-Magic Inc All Rights Reserved.
Network Supported